FOLLON 富隆 FVM缩体系列贴片电解电容
日期:2022-11-28 | 人气:1445
FVM系列规格书
1
规格书
1.范围: Scope
适用"FVM 系列"片式铝电解电容器
This specification covers “FVM Series” V-chip aluminum electrolytic capacitors.
2.参考标准: Reference Standard
国际标准 IEC 60384 与日本工业标准 JIS C-5101
The international standard IEC 60384 and Japanese industrial standard JIS C-5101.
3.环境保护标准:Environmental Protection Standard
遵照欧盟指令 2002/95/EC.
Comply with the EU directive 2002/95/EC.
4.使用温度范围:Operating Temperature Range
-55℃ ~ +105℃
5.电压范围:Voltage Range
DC: 6.3 ~ 450V
6.容量范围:Capacitance Range
CAP: 1~ 6800μF
7.容量偏差范围:Capacitance Tolerance
±20% at 120Hz, +20℃
8. 漏电流:Leakage Current
9.损耗角:Tan & 测试频率:120Hz,温度:20℃ Measurement frequency: 120Hz, Temperature: 20℃
10.低温特性:Stability at Low Temperature
测试频率:120Hz
11.浪涌测试:Surge Test
12.耐久性:Load Life
在 105℃环境中,按照规定时间连续加载额定电压后,待温度恢复到 25℃进行测量时,应满足以下要求.
The following specifications shall be satisfied when the capacitors are restored to 25℃ after the rated voltage is applied for the specifiedperiod of time at 105℃, Should meet the following requirements
13.高温储存:Shelf Life
在 105℃环境中,无负荷放置 1,000 小时后待温度恢复到 25℃,进行试验前处理 (JIS C 5101-4 4.1 项) 后进行测量时,应满足上述耐久性的标准值.
The following specifications shall be satisfied when the capacitors are restored to 25℃ after exposing them for 1,000 hours at 105℃ without voltage applied. Before the measurement, the capacitor shall be preconditioned by applying voltage according to Item 4.1 of JIS C 5101-4,Should meet the above durability of the standard value.
14.耐焊接热:Resistance to Soldering Heat
在 250℃的条件下,电容器在热板上保持 30 秒,然后从热板上取下电容器,让其在室温下恢复,电容器应满足以下要求:
The capacitors shall be kept on then hot plate maintained at 250℃ for 30 seconds.After removing from the hot plate and restored at room temperature, they meet the following requirement :
15.标识:Marking
电容器标识内容如下:
Capacitors shall be legibly marked with the following:
1) 产品系列:
Manufacture’s mark
2) 额定电压和标称容量:
Rated voltage and nominal capacitance
3) 负极标识:
Negative polarity
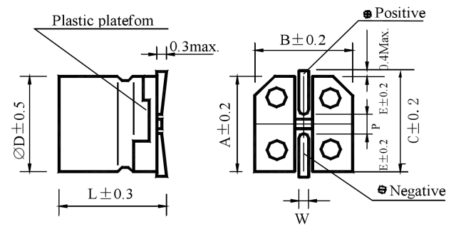
16.图样:Drawing (Unit: mm)
(Ф4~Ф6.3)端子代码:A 型
(Ф8~Ф10)端子代码:A 型
(Ф8~Ф16)端子代码:G 型
17.尺寸:Dimensions (Unit: mm)
18.编带说明:Taping Specifications
符合标准 JIS C0806 与 IEC 602863.(Applicable standard JIS C0806 and IEC 60286)
18.1.盒带图样尺寸与包装
Cassette pattern size and packaging
Fig.1(Ф4~Ф10)
Fig.2(Ф12以上产品)
18.2.卷盘 : Reel
18.3. 包装数量: Package quantity
19.无铅回流焊接:Lead-free Reflow Soldering Condition
A. 回流焊条件推荐:Recommended Conditions for Reflow Soldering:
(1)应采用红外线及热风回流焊接,不宜采用汽相加热回流焊接;
A thermal condition system such as infrared radiation (IR) or hot blast should be adopted,and vapor heat transfer systems (VPS) are not recommended.
(2)推荐回流焊只进行一次,回流焊次数如果需要二次,必须相隔 60 分钟以上;
Reflow soldering should be performed one time. If the capacitor has to be reflowed twice,
60 minutes must be layout between each time.
(3)无铅回流焊,请符合下述条件:
For lead-free type reflow soldering, please observe proper conditions below:
a)从 150℃至 180℃的预热时间<120 秒以内;
The time of preheating from 150°C to 180°C shall be within maximum 120 seconds;
b)电容器顶部温度超过 217℃的焊接时间不超过 tL 时间;
The time of soldering temperature at 217°C measured on capacitors' top shall not
exceed tL (second);
c)电容器顶部温度超过 230℃的焊接时间不超过 td 时间;
The time of soldering temperature at 230°C measured on capacitors' top shall not
exceed td (second);
d)电容器顶部尖峰温度不超过 Tp℃,在 5℃范围内的实际尖峰温度时间不超过 tp 时间
The peak temperature on capacitors' top shall not exceed Tp(°C), and the time within 5°C
of actual peak temperature shall not exceed tp (second).
B.回流焊曲线图: Classification Reflow Profile:
C. 尖峰温度允许范围:Allowable Range of Peak Temperature
D.表面安装推荐尺寸:Recommended Land Size (Unit: mm)
20. 引线原材料:The Raw Materials of Lead Wire
21.电容器代码标志:Explanation of Part Number
22.结构: Construction
23. 额定纹波电流的频率导数 :Frequency Coefficient of Allowable Ripple Current
24. 电气参数及料号:Electric parameter and Material number
25. 片式铝电解电容器一般使用注意事项
Application guideline for V-CHIP aluminum electolytic capacitors.
A) 电路设计: Circuit Design
充分考虑电容器使用和安装条件在产品目录的规定范围内.
Please make sure the environmental and mounting conditions to which the capacitor will be exposed are within the conditions specified in catalogue.
工作温度和施加的纹波电流应在产品目录的规定范围内.
Operating temperature and applied ripple shall be within specification.
在设计电路时,应选择符合寿命要求的产品.
Appropriate capacitors which comply with the life requirement of the products should be selected when designing the circuit.
铝电解电容器是有极性的,不应加反向电压或交流电压。对可能出现反向电压的电路,应选择双极性电容器。
注意:即使双极性电容器,也不能直接用于纯交流电路.
Aluminum electrolytic capacitors are polar. Make sure that no reverse voltage or AC voltage is applied to the capacitors.Please use bi-polar capacitors for a circuit that can possibly see reversed polarity.
Note: Even bi-polar capacitors cannot be used for AC voltage application.
对需要快速和频繁充放电的电路,不应使用铝电解电容器而应选择特别设计的具有长寿命的电容器.
Do not use aluminum electrolytic capacitors in a circuit that requires rapid and very frequent charge discharge. In this type of circuit, it is necessary to use a special design capacitor with extendedlife characteristics.
不应使用过载电压.Do not apply excess voltage.
①直流电压与纹波电压叠加后的峰值电压不应超过额定工作电压.
Please pay attention to that the peak voltage, which is DC voltage overlapped by ripple current,will not exceed the rated voltage.
②若 2 个以上电容器串联,应确保施加电压低于额定值,而且要并联一个平衡电阻,以使每个电容器所加电压相等.
In the case where more than 2 aluminum electrolytic capacitors are used in series, please make sure that applied voltage will be lower than rated voltage and the voltage will be applied to each capacitor equally by using a balancing resistor in parallel with the capacitor
/ AUTUMN
电容器不能应用于下述环境条件下:
Aluminum electrolytic capacitors shall not be used under the following environmental conditions:
①(a) 电容器被暴露于水(包括浓缩液)、盐水或油中.
Capacitors will be exposed to water (including condensation), brine or oil.
(b) 周围环境中有氢化硫、亚硫酸、亚硝酸、氯气、溴气、溴化甲烷、氨气等有毒气体.
Ambient conditions that include toxic gases such as hydrogen sulfide, sulfurous acid,nitrous acid, chlorine, bromine, methyl bromide, ammonium, etc.
(c) 周围环境中有臭氧、紫外线及辐射。
Ambient conditions that expose the capacitor to ozone, ultraviolet ray and radiation.
②严重的振动及机械冲击超过产品目录的规定范围.
Severe vibration and physical shock conditions that exceed specification.
振动的测试条件如下:
Vibration test condition:振动频率范围: 10-55-10Hz
vibration frequency range: 10~55~10Hz 扫描频率:10-55-10Hz/分钟
sweep rate: 10~55~10Hz/minute 扫描方式:对数
sweep method: logarithmic 振幅或加速度:1.5mm (最大加速度为 10G)
amplitude or acceleration: 1.5mm (max. acceleration is 10G)
振动方向:X、Y、Z 方向 direction of vibration: X, Y, Z direction
测试时间:每个方向 2 小时 testing time: 2 hours per each direction
冲击一般不适用.Shock is not applicable normally.
如有特殊要求,请与我们销售部门联系.
If a particular condition is required, please contact our sales office.
电解液主要化学溶剂及电解纸为易燃物,且电解液导电。当电解液与 PC 板接触时,可能会腐蚀 PC 板上的线
路,或造成短路,以致产生烟或着火。因此在电容器封口下端不应有任何线路.
The main chemical solution of the electrolyte and the separator paper used in the capacitors are combustible. The electrolyte is conductive. When it comes in contact with the PC board, there is a possibility of pattern corrosion or short circuit between the circuit pattern, which could result in smoking or catching fire. Do not locate any circuit pattern beneath the capacitor end seal.
设计线路板时应确保发热元器件不靠近铝电解电容器或 PC 板的另一面,避免其正好在电容器下面.
Do not design a circuit board that the heat generating components are placed near the aluminum electrolytic capacitor or on the reverse side of PC board, if that just under the capacitor.
设计线路板时应考虑到电容器的电性能可能随温度和频率的变化而变化.
Electrical characteristics may vary depending on changes in temperature and frequency. Please
consider this variation when you design circuits.
当 2 个以上电容器并联时,应考虑到通过这些电容器的电流平衡。
When you install more than 2 capacitors in parallel, please consider the balance of current flowing
into the capacitors.
在双面线路板上安装电容器时,电容器的安装位置应避开多余的基板孔和过孔。
While mounting capacitors on double-side PC board, the capacitors should be away from those unnecessary base plate holes and connection holes.
B)安装:Mounting
一旦电容器经过安装及加载,不要再试图用于其他线路板或其他用途.
Once a capacitor has been assembled in the set and power applied, do not attempt to re-use the capacitor in other circuits or application
贮存超过 2 年的电容器,其漏电流可能增大。若漏电流增大,请使用 1KΩ电阻做充电处理.
Leakage current of the capacitors that have been stored for more than 2 years may increase. When
leakage current has increased, please perform a voltage treatment using a 1kΩ resistor.
在将电容器安装在 PC 板之前,请确认其规格和极性
Please confirm specifications and polarity before installing capacitors on the PC board.
不要将电容器掉在地上,或不要使用掉在地上的电容器.
Do not drop capacitors on the floor, nor use a capacitor that was dropped.
安装时请不要损伤电容器.
Do not deform the capacitor during installation.
请注意贴片机的吸头、产品检测夹具或对中装置对电容器的机械冲击.
Please pay attention to the mechanical shock to the capacitor by suction nozzle of the automatic insertion machine or automatic mounter, or by product checker, or by centering mechanism.
回流焊:Reflow soldering
①请遵守产品目录中的回流焊条件.
Please follow “Reflow Soldering Conditions” in catalogue.
②当使用红外线加热时,请注意加热程度,因为红外线吸收率会随着电容器颜色和大小的不同而改变.
When an infrared heater is used, please pay attention to the extent of heating since the
absorption rate of infrared will vary due to difference in the color and size of the capacitor
将电容器焊接在 PC 板后,不要倾斜或扭动电容器
Do not tilt lay down or twist the capacitor body after the capacitor are soldered to the PC board.
不要抓住焊接后的电容器搬动 PC 板.
Do not carry the PC board by grasping the soldered capacitor.
不要让任何物品接触焊接后的电容器,如果 PC 板堆放储存,请确保 PC 板或其他零部件不触到电容器.
Please do not allow anything to touch the capacitor after soldering. If PC boards are stored in
stack, please make sure the PC board or other components away from the capacitor.
焊接后的电容器不应受到任何已焊接 PC 板或其他元器件热辐射的影响.
The capacitors shall not be effected by any radiated heat from the soldered PC board or other components
after soldering.
清洗
①不能用卤化清洗剂清洗电容器。如必须使用卤化清洗剂,请与我们销售部门联系.
Do not clean capacitors with halogenated cleaning agent. However, if it is necessary to clean with halogenated cleaning agent, please contact our sales office.
②推荐清洗方法:Recommended cleaning method
使用范围:任何类型及规格 Applicable : Any type, any ratings
清洗方法:浸泡、超声波或其他方法的总清洗时间应在 2 分钟内。清洗剂温度应在 40℃以下。清洗后,
应将电容器与 PC 板一起用热风吹至少 10 分钟。热风温度应低于电容器工作温度。水洗后若不充分吹干,可能导致外观不良,如座板发胀等。
Cleaning conditions
: Total cleaning time shall be within 2 minutes by immersion, ultrasonic
or other methods. Temperature of the cleaning agents shall be 40℃ or below. After cleaning, capacitors should be dried by using hot air for the minimum 10 minutes along with the PC board mounted. Hot air temperature should be within the maximum operating temperature of the capacitor.
Insufficient dryness after water rinse may cause appearance problems, such as bottom-plate bulge
and etc.
③ 避免使用破坏臭氧层的清洗剂以保护环境.
Avoid using ozone destructive substances as cleaning agents for protecting
C)安装后In the Equipment
1)不要直接用手接触电容器正负极.Do not directly touch terminal by hand.
2)不要在正负极之间用导体连接,也不要在电容器及其附近溅撒导电液体,如酸碱溶液等.
Do not link positive terminal and negative terminal by conductor, nor spill conductible liquid such as alkaline or acidic solution on or near the capacitor.
3)在使用环境中应避免溅上水或油,避免阳光直射、紫外线照射、辐射、有毒气体、振动或机械冲击.
Please make sure that the ambient conditions where the set is installed are free from spillin water or oil, direct sunlight, ultraviolet rays, radiation, poisonous gases, vibration or mechanical shock.
D) 维护和检验 Maintenance and Inspection
请定期检测安装在工业设备上的电容器。检测项目如下:
Please periodically inspect the aluminum capacitors that are installed in industrial equipment.
The following items should be checked:
外观:明显缺陷,如防爆阀打开、电解液泄露等.
Appearance: remarkable abnormality such as pressure relief vent opening, electrolyte leaking, etc.
电性能:电容量、损耗角正切、漏电流等,具体数据参见产品目录和相关产品规格书.
Electrical characteristics: capacitance, dielectric loss tangent, leakage current and etc., which
are specified in catalogue or alternate product specification.
E)紧急情况 In an Emergency
1)若看见因防爆阀动作而产生的烟气,请关闭主开关或拔开离合器.
If you see smoke due to operation of safety vent, please turn off the main switch or pull out
the plug from the outlet.
2)若吸入气体或咽下电解液,应立即用水清洗口腔和喉咙.
If you breathe the gas or ingest the electrolyte, please wash out your mouth and throat with
water immediately.
3)若皮肤沾上电解液,请用肥皂和水清洗干净.
If your skin is exposed to the electrolyte, please wash it away using soap and water.
F) 储存 Storage
1) 不要将电容器储存在温度和湿度高的地方,储存环境应为温度:5℃-35℃,相对湿度:<75%,储存地点:
室内.
Do not keep capacitor in high temperature and high humidity atmosphere. Storage conditions should be: Temperature: 5℃~35℃,Humidity: lower than 75%;Place :Indoor
2)避免电容器的储存环境中有水、盐水或油。
Avoid ambient conditions where capacitors are covered with water, brine or oil.
3)避免电容器暴露在臭氧、紫外线或辐射中.
Avoid ambient conditions where capacitors are exposed to ozone, ultraviolet ray or radiation.
G) 处置 Disposal
请用下面任何一种方法处置电容器:
Please take either of the following methods in disposing capacitors.
1) 在电容器壳体上开孔或将电容器压碎后焚烧.
Incinerate them after crushing capacitors or making a hole on the capacitor body.
2) 如不能进行焚烧,请交给废物处理机构进行填埋.
If incineration is not applicable, hand them over to a waste disposal agent and have them buried in landfills.
